Jacques-Léonard Delalande
Welcome on my portfolio!
My experience in material engineering, biology, and geochemistry combined with a strong sense of DIY are expressed through a passion for architecture.
I am mostly interested in the real, built, physical result. All the toolbox and process is a way to get there. Using found, reused materials, and unconventional way of assembling ideas in a fitting and exciting way. In my opinion, anything can be used as material and inspiration to create a harmonious project.
Natural materials are deeply connected to our environment and foster a gentle industry. Water cycles can be designed in a circular way to create abundance and peace. Prefabrication and modularity offer economy to harness the patrimonial value of old buildings and industrial spaces. Parametric design and digital tools help building aesthetic additions.
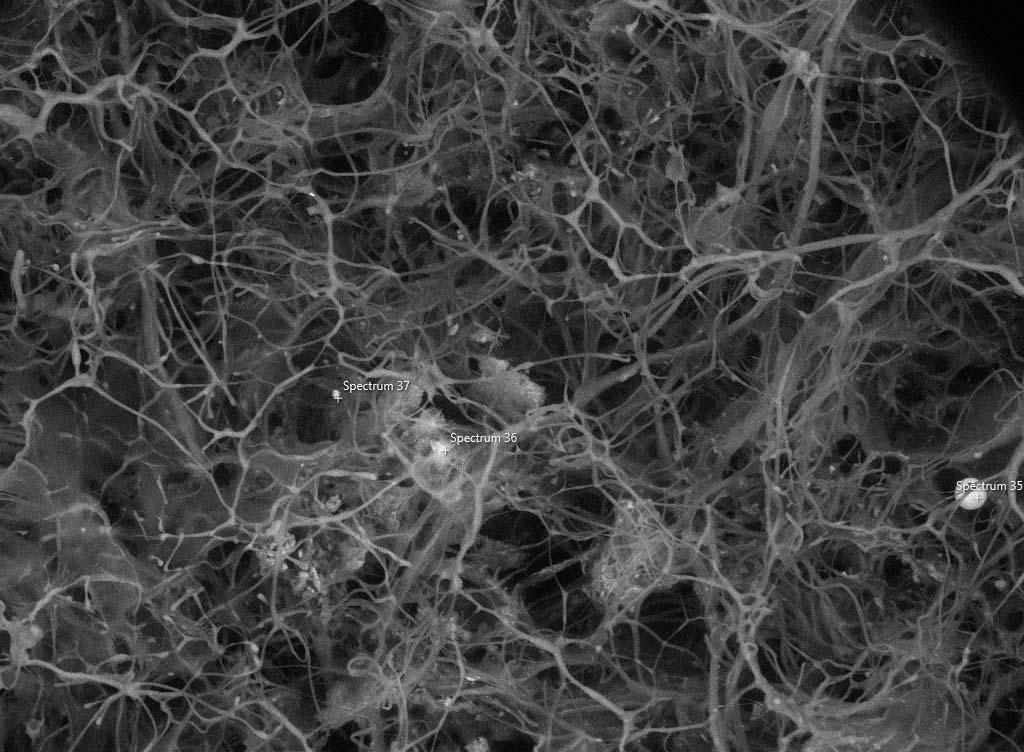
Studio PERSYN : BIOCHAR REWORLDING
Reworlding : the birthing of an autonomous and stable speculative world. We chose to focus on the regenerative potential of biochar, first as a building material, then as a future remnant : biochar concrete can be cycled into a growing medium. What kind of climatic future can we build with it? A participatory design LARP enacts design strategies for urban redevelopment. Finally, the playful card game gives a structure for the participants to engage. © Marisa Vocaturi, Mirthe Hummel, Robin Rohner, Jacques-Léonard Delalande




















Studio HOLTROP : CLAUSTROPHOBIA
The previous exploration culminates through the lens of a swiss chalet. The provocative infill allows a better understanding of massive mountains and their blinding space, as opposed to a heavy and opressive interpretation of interiority. The traditional « Maïensass » is subverted into an exhibition space for the provided artwork. The symbolical maze comes full circle in a disorienting but linear journey through light and darkness. © Jeramie Lim, Jacques-Léonard Delalande.














Studio HOLTROP : DORIS SALCEDO
An exploration of Doris Salcedo’s concrete chair (Untitled 2006), interpreted into a practice of embracing traumatic weight as a roadmap towards healing. The sculptural explorations linger around colossal and inaccessible masses. A descent into darkness – and the raw – spirals around an unwavering core of hostile and layered boulders. Full of surprises, downturns and hidden paths, the descent into weight finds its paroxysm in an intimidating and obscure corridor. © Jeramie Lim, Jacques-Léonard Delalande.

















Studio DE VYLDER : FOLLY
Free reign is given into self-expression for a Pavillion added next to the SW95 project. Heaven and Earth meet in a performative space. Skaters enjoy the ramp, dancers swirl barefeet on the mirror wet floor. Water trickles down musically on an organic sculpture. Brave souls access the secret roof by climbing the ladder-like cups filled with water. © Jacques-Léonard Delalande








Studio DE VYLDER : SW95 Office Conversion
The broad office block is extended and partially transformed into community living. An additive double-skin facade made from local tree trunks create a luminous buffer zone. Shigeru Ban meets Lacaton Vassal, and every construction details are optimized. Local, efficient & affordable should be the keywords to adress renovations in Switzerland. © Rebecca Grobotek, Bajram Asani, Jacques-Léonard Delalande.



























Studio DE VYLDER : WORK x SUNBATHE x PERFORM
An imaginary empty boutique in Zürich center is renovated into an open art-studio scene. Custom rotating veranda doors compliment a retractable stairway scene. The performative space is bridged with public space for spontaneous events. © Seraina Bran, Bajram Asani, Jacques-Léonard Delalande








Studio DE VYLDER : BATH x MOVE x MAINTAIN
Recycling the water from the shower directly. The shower and winter garden combined into one. Thick rammed earth « Hyperadobe » load bearing walls. From bedroom, to changing room, to shower, and finally brunch.










Axonometric study : public stairs
Modern and old seamlessly integrate.

Computational Design : Arboskin X Eiffel tower
What if the Arboskin was integrated into a skyscraper inspired from the Eiffel tower?


Studio DEPLAZES : Neighborhood Barcelona
The empty lot is developed into the essence of a functional skeleton. The mirroring module create both private terraced gardens and communities, while offering public shaded courtyards and covered streets.
The fresh and luminous caves obtained are naturally ventilated for the hot weather. This space is designed for boutiques and cafés nested in the provided shade. The shapes also create a diversity of façades typologies entering in dialogue with the existing.
The vast roof structure and large terraces serve as an legacy structure for unplanned vegetation and agriculture. The ziggourat-like shape form follows the function of a space adapted to retro-futuristic hanging gardens.
© Jacques-Léonard Delalande















Studio DEPLAZES : Atelier House
First year project. After months of form-finding, the design finally took shape in a few weeks.
© Jacques-Léonard Delalande








INTERVAL Paysage SàRL : Parc Grand-Ouest Lausanne
The overlap of many urban complexities were analyzed to build the pre-competition list of criterias for the design of a vast city park in the last natural zone of a large agglomeration.
The park spans two different communes, on agricultural, forested and urban land. Some protected buildings are reprogrammed. Multiple strategical cantonal maps for biodiversity, transport, and economical zoning are taken into account. Residential and commercial offices near the university campus define key zones. A highway, a river and multiple flood zones constrain the space. Finally, multiple progammed developments and key public facilities impose their own future programmation.








Creative Rendering : Hommage to Leonardo Da Vinci
Horses in strange places resonate with a first Rhino model, later transformed into a render with one of the first Twinmotion software.







Grasshopper Experiments : Parametric Turf Pavilion
During COVID, I decided to learn parametric design with Grasshopper, combined with Twinmotion rendering. Lots of funny little experiments led to a pavillion covered with heather. The structure is covered with compost and stabilized by the roots of the flowery and fur-like plants. It can withstand prolonged drought and frost, while keeping the structure cool in the summer.












The Washing Station – Chambésy food market in Geneva
The old greenhouse of the Chambésy estate was being exploited as a market to produce fresh vegetables. It needed a space to wash and evolve into both storage and a welcoming space. A lot of bamboos were already available on site. Once dried and strapped with TESPA heavy duty banding, an intricate carpentry could be quickly and efficiently propped up. With limited resources, a cladding of OSB boards chainlinked together could be hoisted and slippped in place. Finally a green roof could provide shading and coolness while protecting a plastic membrane from the UV.











Terrace Transformation – 2 seasons garden
The culmination of experience with gardening, fertility management and reuse.









Rainwater Landscapes : the XXIInd century
The dramatic vision of a climate changing future needs to be solutioned. Sponge cities infiltrate and recycle the rainwater to provide cooling effect. Swales, dug at different depths of soil layer further recharge the aquifers. Finally, diesel power is harnessed one last time to transform desert into arable lands.







SPORE v2 – Off-grid chalet
A continuation of the previous project – without complex trigonometries, and in an simpler orthogonal system. How to create an off-grid structure, using the least amount of materials? Industrial convenience of polycarbonate and OSB panels is leverage to use materials found on site to wrap up the structure in compression. The pod can stand on its own, in any environment. It can recycle its own water, produce food, and doesn’t require heating due to the passive design. It aims towards a fully automated passive design, where form creates function. Interconnection with the landscape creates a safe haven in any biome. The resulting chalet offers a temperate mountain hut for hikers, without any heating system. It can be moved to exhibitions, or combined to create « rafts » on wetlands.









SPORE v1 – Bamboo Pavilion
Abundant local bamboo from the domain of an old winery was the perfect opportunity to experiment with large shapes. How could the idea of a yurt pushed towards a more efficient system? Could thick tarp and strawbales easily create a sturdy cocoon in any condition? How to connect hollow and fragile tubes using cost-effective materials? Here, plaster fabric connects elements that function both in tension and compression.










The discrete life of Compost, Greywater and Biochar
Closing the nutrient loop has always been the challenge of civilizations. Yet, it could be possible to envision agriculture and architecture together, to form resilient systems that can help each other – networked responsibilities creating strength, from a place of independance. Recycling food scraps with earthworms, using soapy water direcly on plants and finding the right substrate could be integrated into an ideal building. Renovations could not only talk about CO2 emissions, but also create new gathering spaces and resources streams to build innovative models of housing.









Earlier Works
Gritty and dark, there was always a raw desire to build and express individuality through creation. Abundant reuse of found materials, natural resources always made it possible to create no matter what. This adaptibility is still part of what drives me, and a testament to the distance travelled.








